图知网
搜索
首页
热门推荐
图片分类
七声音阶练习
下载原图
相关图片
七声音阶练习
笛子基本功练习(4)简谱视唱 二,音阶级进练习:2,七声音阶练习
一-发簪网
笛子音阶孔位精细对照图989794 笛子音阶孔位精细对照图98
吹笛子是不是要学 低中高 音的指法,如果是,那又怎么按呢?
初学笛子,该买哪个调的
为你推荐
梦幻仙境壁纸[比心] #二次元美图# #治愈系风景# #百度ai绘图黑科技
全屏手机壁纸双马尾的初音未来动漫手机壁纸推荐2k壁纸4k壁纸二次元
勿喷,本人不喜欢被改画.#猫咪拟人 #原创作品 #猫咪
旗袍与梅花 - jpb1353677 - jpb1353677的博客
龙丹妮做偶像产业每天都如履薄冰
流行经典古筝曲《梦江南》
天然朱砂情侣貔貅吊坠本命年男女紫晶砂项链辟邪保平安转运挂件
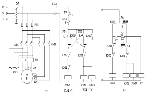
双速电机控制电路图