图知网
搜索
首页
热门推荐
图片分类
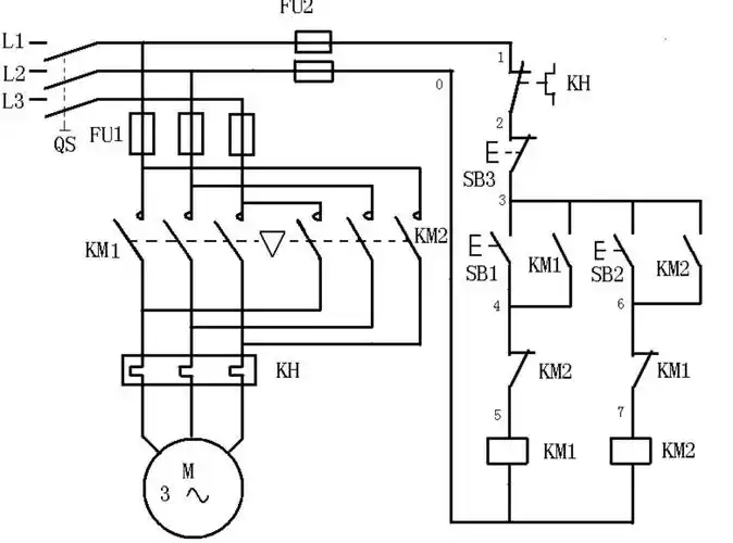
一起学电工三相电机自锁电路接线图电压36v380v接触器
下载原图
相关图片
一起学电工三相电机自锁电路接线图电压36v380v接触器
cj20_25交流接触器
一起学电工三相电机自锁电路接线图电压36v380v接触器
具有过载保护的接触器自锁的正转控制线路图
同时第一个交流接触器主触头闭合,自锁触头闭合自锁>电动机启动连续正
继电器常用自锁电路图
为你推荐
卡通熊猫桌面壁纸治愈系文字语录图片第三辑
1920x1080体积:2mb上传时间:2022-05-08壁纸标签:动漫初音未来mikuv家
戚薇冷艳魅惑时尚写真大片
ysl(品牌)_科普_技点百科
抗疫题材电影《中国医生》重庆点映,看哭现场专业观众
hp z230 sff workstation xeon e3-1281 v3 3.
你看岳灵珊做了啥?|岳不群|华山派|剑法_网易订阅
长安汽车 长安uni-t 2022款 1.5t 尊享型