图知网
搜索
首页
热门推荐
图片分类
乐到家煮蛋器 小鸡煮蛋器 煮蛋器批发 辽宁煮蛋器代理
下载原图
相关图片
如图甲是一种家用蒸蛋器,图乙为它的原理图,该蒸蛋器可依据个人喜好
孵蛋温度控制电路
两种禽蛋自动孵化器电路
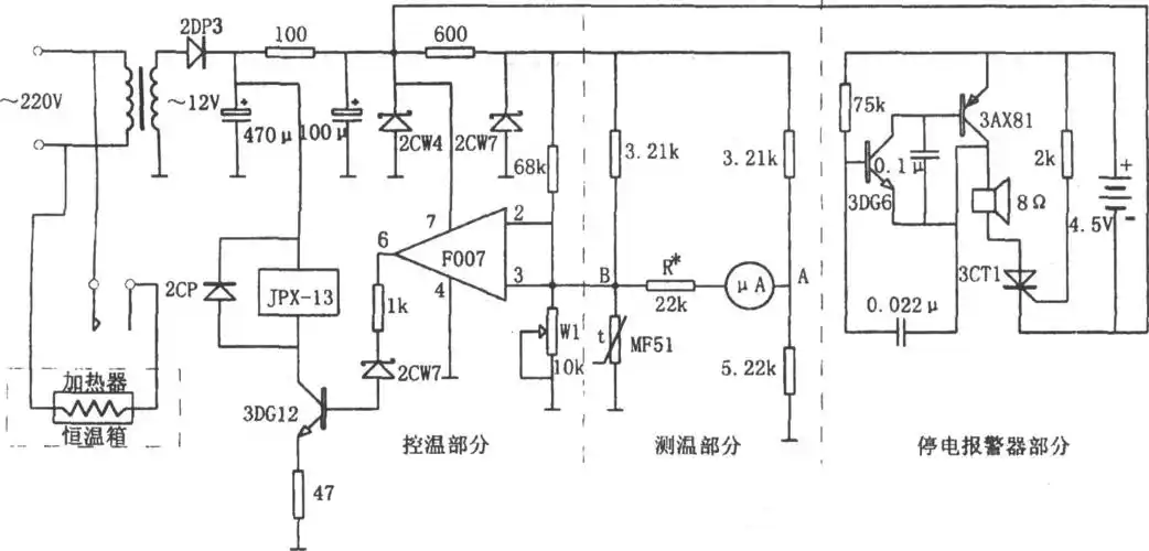
孵蛋温度控制器(f007)-电路图-aet-中国科技核心期刊-最丰富的电子
一般应用于小家电的控制电路中,如电风扇,暖奶器,酸奶机,煮蛋器,拉发
天际牌ddg-30mt电炖锅发热盘不发热 - 精通维修下载
为你推荐
二手高跟鞋1039码
给我儿子画的小龙虾大战蝎子,于是就有了这幅他儿子喜欢的哥斯拉大作
般若波罗蜜多心经
海报蓝月亮洗衣液
江添盛望
国标舞上衣新款女成人拉丁舞服装交谊舞蹈上装夏练习练功服
魔芋食品健身拌饭炒饭300g米饭速食方便代餐自热米饭
优秀毕业论摘要.doc