图知网
搜索
首页
热门推荐
图片分类
你可能喜欢 工程电路 电脑开关电源电路图大全 pfc电路 atx电源原理与
下载原图
相关图片
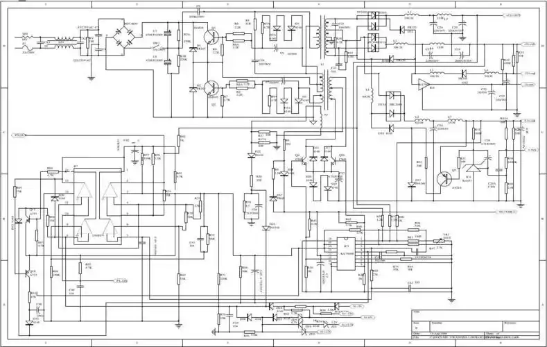
电脑电源电路图
台式电脑atx—电源管理芯片est7502c 功能介绍
atx电源原理电路图
atx电脑电源原理图
atx电源电路图
几款atx电脑电源电路图
为你推荐
杨紫 #肖战#最佳cp 满眼皆是你 #余生请多指教 - 抖音
爱网球
赵秦带王琳见了自己的父母,他们非常不端,对她照顾有加.
鳞状细胞癌
各种皮肤病的图片难得啊
全展示假面骑士电王10周年纪念车票套装4k画质
亥_亥字怎么写好看_亥的写法_书法字典_大圈网
超全新生儿大便健康解读图60附应对方法