图知网
搜索
首页
热门推荐
图片分类
高端炫酷篮球争霸赛篮球比赛海报
下载原图
相关图片
篮球争霸赛篮球比赛宣传海报
你的天赋 我来引领——前卫中学第三届学生篮球联赛3v3篮球争霸赛开幕
篮球争霸赛篮球比赛海报
简约卡通篮球争霸赛体育运动海报
国际篮球争霸赛海报
篮球争霸赛风海报设计
为你推荐
疯狂动物城情侣头像一对一人一张 不易被发现的可爱卡通情头像_情侣
侯边庄小学开展消防绘画展览
《支持,理解,包容,帮助,信任,沟通从心开始》春苗幼儿园大四班家长会
简笔画绘画教程动漫人物绘画带给我
老爸,生日快乐.
奶茶店价目单
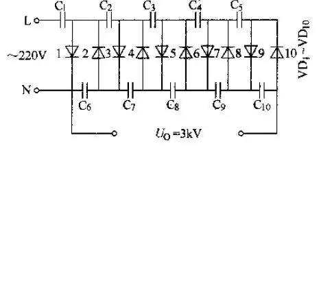
电容10倍升压-防盗报警电路图-电子产品世界
岳飞传===全开未裁切,经典题材,少见品种.