图知网
搜索
首页
热门推荐
图片分类
cn105048907b_一种具有管理功能的汽车发电机电压调节器有效
下载原图
相关图片
用于多燃料发电机引擎的控制系统
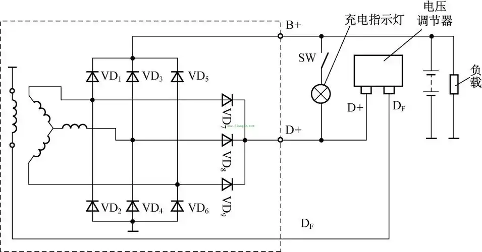
汽车交流发电机的工作原理
该小型单相燃油发电机供电控制器电路由刀开关q1-q3,熔断器fu1-fu3
发电机电路图
汽车交流发电机工作原理与工作特性(二)
6kw便携带汽油发电机|电启动汽油发电机
为你推荐
动漫女生手绘油画风森系女生头像
肖战干净帅气壁纸_x玖少年团肖战
721_406gif 动态图 动图
2018bob头(45款)
《终结的炽天使》百夜米迦尔,壁纸,进来感受米迦的卡姿兰大眼睛
白蚁 工蚁:主要负责筑路,建巢,采食,取水, 为蚁王,蚁后供食,给兵
【食物语四载之志‖鱼香肉丝正片】与我共赴这一场真假迷局
大年初一