图知网
搜索
首页
热门推荐
图片分类
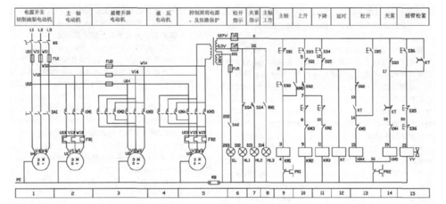
z3050摇臂钻床电气控制电路.doc 6页
下载原图
相关图片
z3040型摇臂钻床的电气控制线路原理图解
z35型摇臂钻床控制电路
z3050液压摇臂钻床电气控制接线图
z3040摇臂钻床的plc改造
khz3040摇臂钻床电气技能培训考核实验装置配置与原理图
z35摇臂钻床控制线路故障检修ppt
为你推荐
让上海人排了27年的粢饭团,5块钱管饱!
直插高频放大三极管s9015
秋天的树简笔画
不作死就不会死——两中国游客在德国行纳粹礼被拘捕,来看看还有哪些
欢乐斗地主的等级排行
夜班护士,全世界欠你一个拥抱
世界首款ai仿生机械猫——marscat 火星猫
南翔小笼商标案法院一审落槌