图知网
搜索
首页
热门推荐
图片分类
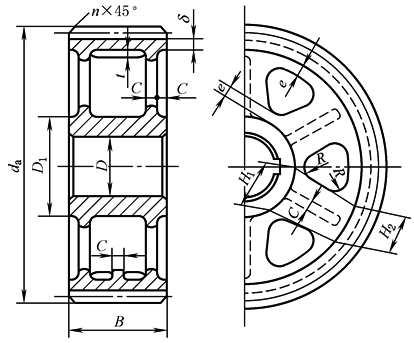
小模数直齿圆柱齿轮快速精锻成型与模具(修改)
下载原图
相关图片
关于单个直齿圆柱齿轮及其啮合的画法正确的是
求直齿轮和圆柱组合体的三视图
绘制直齿圆柱齿轮工程图
作直齿圆柱啮合图(取主,左视图),并标注尺寸
下图为直齿圆柱齿轮的画法正确的图形是
圆柱齿轮结构
为你推荐
陈飞宇司马焦##陈飞宇献鱼
夕阳下的男生唯美动漫壁纸
原创纸模1:1可穿戴假面骑士铠武头盔3d纸模型diy手工手工纸模
鹿晗黄子韬机场合体,两人被同款潮包,果然是兄弟情深_节目_宋茜_网友
上海漫展coser
典狱司钢琴简谱数字双手音频怪物李楠
(蒙jfn927)牧马人1j4ba6h1小型越野客车转让公告
王者荣耀 老夫子 万古长明