图知网
搜索
首页
热门推荐
图片分类
太阳能电围栏电源的研制-电子发烧友网
下载原图
相关图片
atx 电源电路图(一)_文档下载
电脑电源电路图大全
几款atx电脑电源电路图-仪器仪表电路图-电子产品世界
求教:电源, 芯片 est7502c 不上电-迅维网-维修论坛
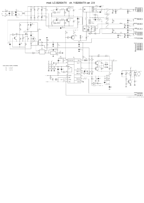
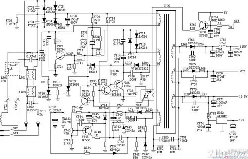
29种彩电开关电源电路图和原理说明(图) - 21ic电子网
atx电源电路图_文档下载
为你推荐
独身女孩不可深更半夜独自夜行.
湄公河cp同框!张涵予彭于晏拥抱举高高
女生头像漫画手绘女孩 很哇噻的女生_女生微信头像_头像屋
50天自然流产掉下的孕囊图片
神话故事哪吒闹海
大展宏图路易十四在文艺科教战争外交等领域的历史场景画与寓言画几百
《红楼梦图咏》"宝钗扑蝶"页
t1112023年夏季吊带修身型女装女士精品背心吊带棉95