图知网
搜索
首页
热门推荐
图片分类
74hc573
下载原图
相关图片
是一种高性能硅栅cmos器件引脚图74hc573引脚功能特点三态总线驱动
谁有74hc573的封装数据呀!
74hc573驱动8位数码管
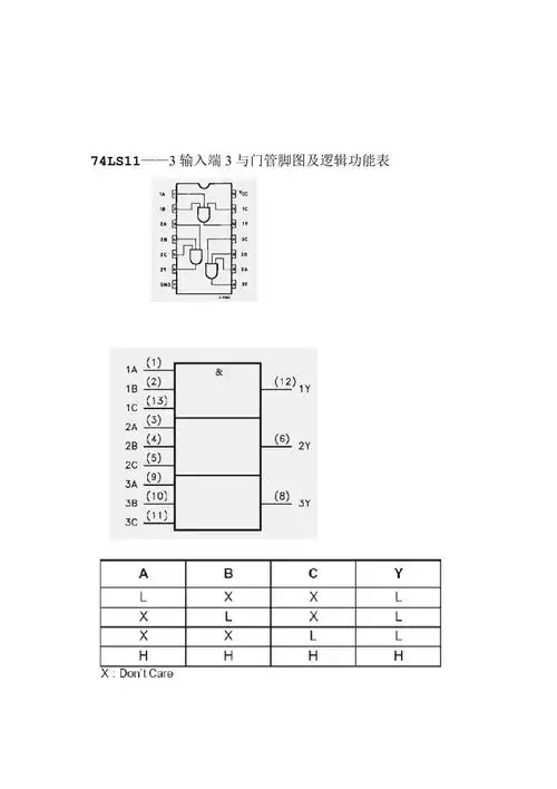
74系列芯片引脚图及逻辑功能表
74hc573完整编辑中文资料doc8页
74hc573驱动6位共阴数码管
为你推荐
图库 爱心云朵查看清晰大图 扫描到手机 蓝天白云爱心云朵蓝天白云
小品沈腾即兴表演点外卖一顿瞎点抬头一看有提词器爆笑
被猎杀的两头赤麂和一头野猪.图片:thai lanah / wikimedia
猫眼美甲真的漂亮又温柔
假面骑士圣刃龙纹骑士shf手办官方实物玩具涂装问题遭粉丝吐槽_相关
淡定表情简笔画
客舱货舱.jpg