图知网
搜索
首页
热门推荐
图片分类
这是一个半波整流电路,想问一下输入端电容c5的作用是什么
下载原图
相关图片
海北藏族自治州半波整流电路
半波整流电路
秦曾煌 电子技术 第6版第18章优秀ppt 一, 单相半波整流电路 1
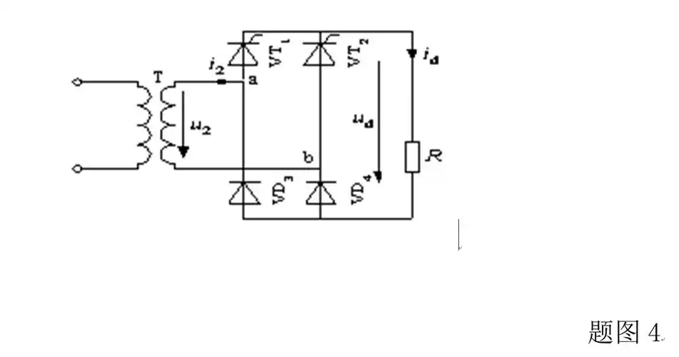
如图所示的单相半控桥整流电路,有一纯电阻负载,需要可调的直流电源
半波精密整流电路的问题
基于psim的三相半波可控整流电路:2 人赞同了该文章疯狂的工程师joye
为你推荐
巴塞罗熊头像
周冬雨休闲个性迷人写真
且听凤鸣震撼热播话痨少年郭丞演绎不一样的热血青春
金乡县城市总体规划20122030
面包复古质感促销印刷菜单价目表
孙雅鑫 平安符武汉马燕--武汉加油马燕 抬头望见韩佳欣 众志成城
顾飞
{秘密录像屋} 斗鱼-女流66_2020-01-18 继续听声断案