图知网
搜索
首页
热门推荐
图片分类
电气施工图深化#电气 #电气施工图 #电气施工图纸 - 抖音
下载原图
相关图片
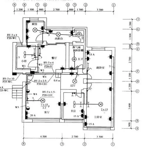
展开全部 有份建筑电气图你可以参照下 向左转 向右转
【6】电气照明施工图中常用的图形符号及照明电气图识读:【5】电气图
建筑施工临时用电标准化做法的具体要求(图文并茂)
家装电气施工图主要由哪几个部分组成?
接线_电气_那以
电气施工图.餐饮电气深化施工图,线路图,配电系统图 #配电系 - 抖音
为你推荐
2021蝴蝶纹身图案大全女9
张雪迎草帽造型#张雪迎最新草帽造型黄色针织套装写真有自然阳光的
唯美浪漫风景高清桌面壁纸高清大图预览1920x1200_风格壁纸下载_美桌
迪柯尼dikeni专柜男装2022冬装厚款保暖连帽商务羽绒服
两股辫三股辫
图妻子的秘密赵丽颖电视剧婚纱照回顾刘恺威精心打造成高富帅
东风小学开展教师板书设计竞赛
水晶原石 sjzx957