图知网
搜索
首页
热门推荐
图片分类
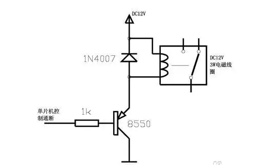
8550 pnp ebc
下载原图
相关图片
8550三极管引脚图
三极管8550怎么驱动蜂鸣器?
供应8550三极管
8550三极管简介
常用的8550三极管详细介绍
taotimeclub 三极管 s8550 0.5a/40v 晶体管 to-92 10只
为你推荐
女生155-165cm"标准体重"是多少?对照一下,看你"达标"了吗
感觉大s长相一般,为什么很多人认为她非常漂亮?
美伢与广志的初次约会纪念日
烈火英雄欧豪徐小斌原型是谁徐小斌原型事迹结局虐哭网友
itzy #gidle #izone #redvelvet - 抖音
情侣头像 #甜甜的恋爱 #动漫情头 #欢迎取图 #怦然心动 - 抖音
可爱小男孩彩色 小男孩的简单画法简笔画怎么画步骤教程
年轻时的张国立老婆邓婕,简直就是一道白月光