图知网
搜索
首页
热门推荐
图片分类
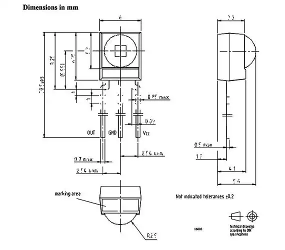
富喆hs0038b通用一体化红外遥控接收头 空调电视激光用红外接收管
下载原图
相关图片
红外接收头脚定义_红外接收头脚位_红外接收头引脚定义
红外遥控接收头 irm-3638j15 sip-3p-2.54mm
新亿彩小型玩具红外线接收头irm1538可免费拿样品 - 爱企查
1538贴片式红外线接收头 小体积鼻梁款红外贴片遥控接收头现货
红外线接收头塑封chq0038a9 高可靠性 宽电压 速度稳定 尽在诚强光电
亿光电子折脚接收头红外线接收头irm-3638tf4现货
为你推荐
金珉锡
幸福家庭女人温馨写真
情侣头像|不容易撞的小众情头
中国三大品牌电车对比~#小鹏p7 #蔚来et7 #比亚迪 # - 抖音
动画卡通唯美冬日图片桌面壁纸
一男一女高质量可爱手绘情侣头像 最近很火的一对优质微信情头_情侣
亲子简笔画:数字一到十画画
两性关系:男人和女人的需求;男人对女人,爱的最高境界