图知网
搜索
首页
热门推荐
图片分类
电子镇流器电路图 工程电路 电子元器件图片 整流器原理 电子节能灯
下载原图
相关图片
一种智能紫外线消毒灯电路
荧光灯电子镇流器 二-其他控制电路图-电子产品世界
cn213373943u_一种紫外线消毒灯有效
适用于宽电压的冷阴极紫外线灯驱动电路
荧光灯电子镇流器电路图
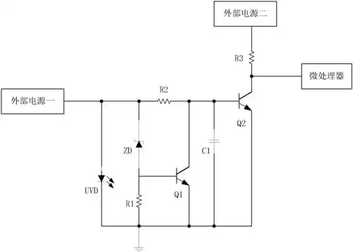
紫外线杀菌灯故障检测电路
为你推荐
张晶
欧美头像女/ins红人/大部分来自ins自截/!
早上的半边月
当嘻哈遇到太极竟如此惊艳
动漫女头 二次元女头 二次元头像
男朋友礼物 #情侣日常 #舒适内裤 #约会 #好物推荐 #春日穿搭
哦豁,完蛋
成都碳纤维加固技术的注意事项