图知网
搜索
首页
热门推荐
图片分类
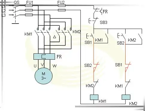
两个电动机互锁的电路图.要求电动机m1启动时m2停止,m2启动时m1停止.
下载原图
相关图片
互锁电路 - 知乎
互锁电路原理图,电路基础知识,电工必备基础电路
电动机正转点动加连续 反转连续机械互锁电路图
三个接触器只能两个同时工作怎么互锁
互锁原理图
按钮互锁 接触器互锁的接法 最好有图 谢谢
为你推荐
圆明园荷花与苇莺
杨洋|娱乐圈|李易峰|赵丽颖|uniq|王一博戴假发_网易订阅
鬼灭之刃蝴蝶忍泳装虫柱蝴蝶忍p衣同人图
元青花瓷价格
忆涵刘半仙少见联手合作大动作让人期待迷你世界官方才够格
列车座位分布图火车座位分布图硬座
消融术联合骶管裂孔置管椎间盘胶原酶化学溶解术治疗腰椎间盘突出症
book and copyright day活动在朝阳小学师生合唱《梨园英秀》的歌声中