图知网
搜索
首页
热门推荐
图片分类
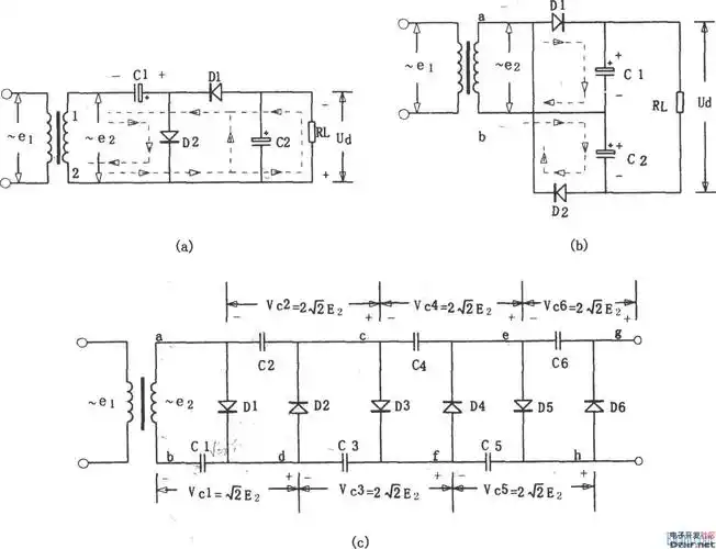
适用于电压高,电流小,负载不变的多倍压电路
下载原图
相关图片
给你一个5倍压整流电路图,即可达到输出1000-1100伏直流电压.我来补
一文详解倍压整流电路的工作原理
晶体二极管.电容三倍升压电路
倍压整流电路
市倍压电路中如何得到dc500多v?各位大师给个电路图吧,谢谢
奇数倍压整流电路a
为你推荐
恋是樱草色 - 堆糖,美图壁纸兴趣社区
电动机保护器原理和接线图
蒙牛小布丁牛奶口味老式雪糕冰淇淋冰糕冰棒提子冰淇淋
弹丸论破v3 最吉 最原终一 王马小吉
西施秘史郑旦赵志瑶饰
老罗国画《癸卯吉兔no.8》新完成的兔子8号,还是有瑕疵,不 - 抖音
湖南直销青石电动石磨机 玉米饼加工设备 电动石磨机图片
儿童画教程|不一样的线条和色彩 《蓝衬布上的一筐梨》