图知网
搜索
首页
热门推荐
图片分类
就等你上岸了_宿舍_卫生间_独立
下载原图
相关图片
厦门大学宿舍条件怎么样宿舍真实照片曝光
有没有厦门大学宿舍内部图片
厦门大学2021年翔安校区校园指南
【厦门大学】
有没有厦门大学宿舍内部图片?
我想看个厦门大学宿舍的图片怎么就这么难呢【在线等 挺急的】?
为你推荐
白鹿高清写真图集,姿色出众,尽显青春本色
还记得《放羊的星星》的女二欧雅若吗?她现在长这样!
2014青岛国际车展-漂亮的福特车模
2线常开光电开关,继电器14脚4组常开常闭,电磁阀,都是220v交流的,怎么
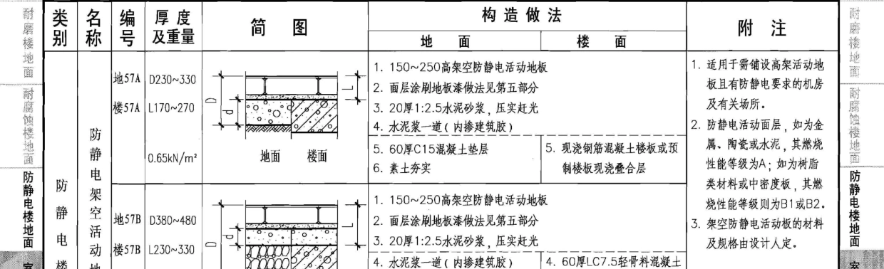
05j909 楼57a怎么套江苏省定额?
官人来青楼坐坐《官居几品》让你妻妾成群
当年与王小二放牛还有一人亲眼目睹王小二牺牲自愿守墓58年
聊城市城市管理局 - 园林绿化 - "园"动力丨加强精细化夏季养护 打造