图知网
搜索
首页
热门推荐
图片分类
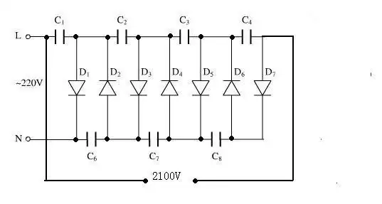
我想用磁芯变压器制作电猫来灭鼠,各位大侠有电路图吗,详细点最好
下载原图
相关图片
求一大功率电猫线路图详细点的用什么电子元件都说出来!
自制二极管生日贺卡 发光二极管贺卡
电力猫的制作方法
电猫灭鼠器电路图
怎么看电容跟二极管的正负极?二极管是普通的那种二极管吗?
自己制作的一款实用捕鼠器电路
为你推荐
合生汇
贺峻霖x池忆防窥来自:陈都灵2020-06-27 19:28:31
可填色线条图
逢入京使ppt优秀课件
相机
5对装cos欧美妆舞台演出自然假睫毛浓密交叉款仙女毛眼睫毛
怎么折三角插
人文学院用创意队形为十九大打call