图知网
搜索
首页
热门推荐
图片分类
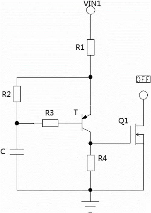
华强电子网作者:华仔浏览:563时间:2016-08-10 14:1810小时延时电路
下载原图
相关图片
三极管开关延时电路
第三电阻,第四电阻,电容,三极管和第一mos管组成的开机延时电路以及由
求通电延时电路,,上电即触发,,延时1秒后接通电路
1到10s可调延时电路图大全cd4060ne555时基集成延时电路详解
25,零基础学电工-按下停止按钮电动机延时停止电路(仿真图)
由两个555时基电路构成的长延时电路由于在5 脚串上了一个二极管vd1
为你推荐
欧美嘻哈新款简约百搭合金古巴链20mm男士大仿金链子项链_双氙车灯
微信早上好的问候语早上好的表情图片
李宁篮球鞋 李宁音速10樱花版,五一活动来袭,有需要的欢迎联系
草乌
戒杀生花臂纹身贴中文汉字文字防水男女持久古风手臂仿真霸气刺青
沈阳纹身 #日式老传统纹身 #纹身手稿
十五的月亮
丁一时尚大片曝光