图知网
搜索
首页
热门推荐
图片分类
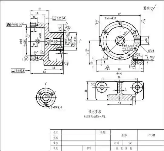
项目五 叉架类零件的零件图绘制作业答案
下载原图
相关图片
求用proe帮画一张零件图
在泵盖零件图中,沉孔的深度是5.5. [图].
零件图的画图和读图
3,螺母零件图
应用如何画好一张机器人零件图
轴套零件的画法
为你推荐
超励志的中考壁纸 祝各位考生金榜题名,考的全会,蒙的全对加油
原创作品#c罗插画
湖人队科比庆祝夺冠.图片来源:路透
钢琴谱|《solo》blackpink jennie个人单曲
府前(林塘)村口村牌
3d效果图
关羽的武器真是青龙偃月刀吗?其实我们都被《三国演义》给骗了
get手机新技能照片密码解锁