图知网
搜索
首页
热门推荐
图片分类
亲身体验tda7850与无损功放的区别
下载原图
相关图片
关于想改功放tda7850的车友进来看一下
继续折腾8给奇骏6a薄款da屏主机升级功放块为tda7850
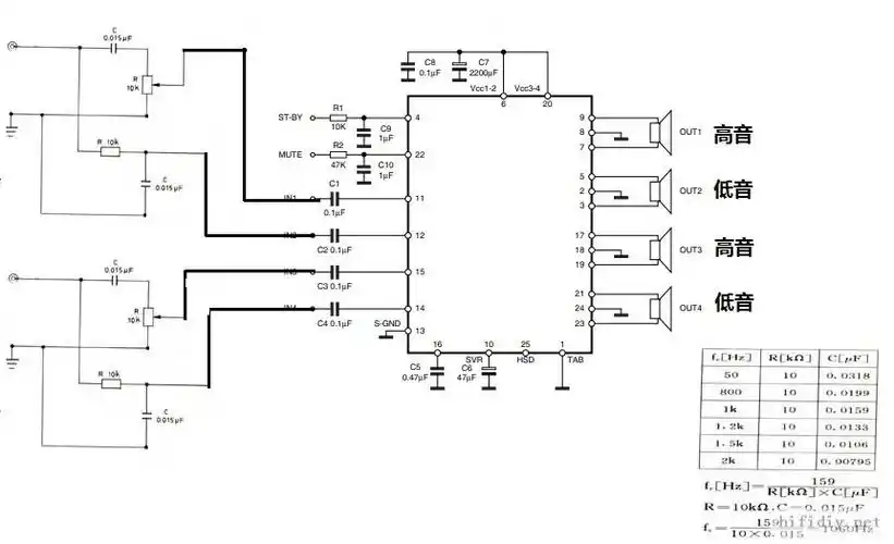
用汽车功放芯片tda7850做电子二分频.
锋驭原装导航tb2939hq改tda7850完美成功无高频自激噪音
tda7388引脚功能资料 tda7388和tda7850功放芯片区别 | 乐菌运营汪
锋驭原装导航tb2939hq改tda7850完美成功无高频自激噪音
为你推荐
浪笔艺术签名欣赏
人气女星多部未华子官网宣布怀孕 已进入稳定期|多部未华子|日本明星
布袋熊
【1215电脑精选12p】守护甜心的合集
蓝湛:羡羡不哭我在呢 .#魔道祖师忘羡 #蓝忘机 #墨香铜臭 - 抖音
1,驾车路线全程约24770公里 起点阿克苏市 1阿克苏地区内驾车方案 1
苦参片(济仁)清热燥湿,杀虫.