图知网
搜索
首页
热门推荐
图片分类
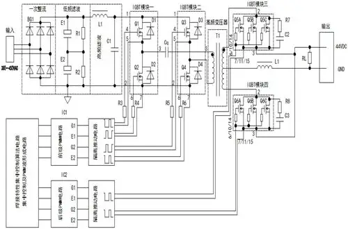
逆变焊机主控电路原理图逆变焊机高手们
下载原图
相关图片
逆变焊机维修电路原理图
cn213318232u_一种前后级双重控制的高性能逆变焊机电路有效
逆变电焊机原理图的讲解
直流逆变焊机380-220电压识别切换及锁定电路原理
zx7200逆变直流焊机输出端短路保护电路原理
逆变焊机完整电路图 图片合集
为你推荐
东北街小学书法社团19春撇的练习(书写展示)
中年妈妈装秋装新款洋气长袖t恤上衣中老年女装薄毛衣翻领打底衫
可丽蓝验孕棒怎么看是否怀孕
亿图脑图mindmaster - 在线思维导图
2021年8款最强劲的宝马1000cc摩托车_哔哩哔哩_bilibili
蝴蝶背03丨圣诞树丨动作集打造
一盒装(轻微) 梵赞苗乐宁舒必得痔疮软膏鹤古安志清舒痔疮膏消肉球
应用截图安卓下载苹果下载手机扫码下载发布:2022-01-07 10:55:26版本