图知网
搜索
首页
热门推荐
图片分类
plc三个皮带顺序启动停止的梯形图? 求图.
下载原图
相关图片
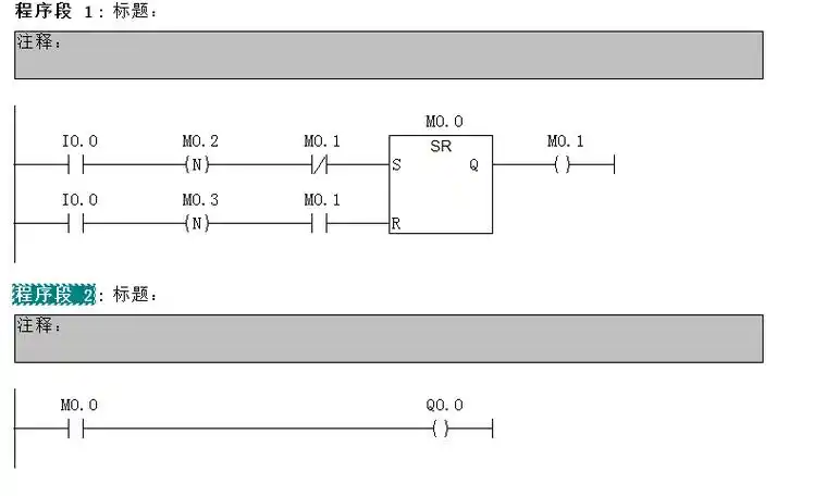
下面就是西门子plc单键启停梯形图 追问 谢谢你的答复,你能帮我指出
plc单键启停梯形图
用西门子200plc做的电机启停,不知道为什么会点动?
一键启停plc梯形图
两个梯形图的简笔画
求欧姆龙plc单键启停梯形图
为你推荐
成都(两会版)(谌强词 曲唱) 赵雷 歌谱简谱网
迷你世界野人祭司的咒语究竟有什么用为什么它会凭空消失
安装元气桌面,海量壁纸一键设置尺寸:1920x1080体积:0.
吴青峰蜂鸟g调吉他谱高清六线谱
彩虹背景色彩缤纷
桥面沥青面层摊铺
扒了一下八英里的瞬间
天柱山----雪的风情