图知网
搜索
首页
热门推荐
图片分类
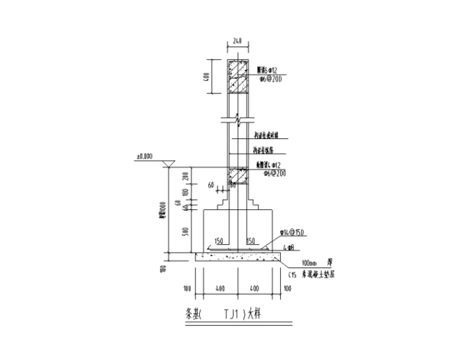
[分享]条形钢筋混凝土基础资料下载
下载原图
相关图片
墙下钢筋混凝土条形基础详图
南安砖混条形基础图纸分享.#农村自建房 #宅基地建房 #别墅 - 抖音
这种条基钢筋怎么处理?
条形基础大样图
请问条形基础与独立基础相连接条形基础钢筋是怎样的
tj条基钢筋Φ14@200 Φ12@200
为你推荐
华晨宇现身西安出席赫莲娜品牌活动 白衬衫造型再度帅出新高度!
古力娜扎:如花似叶,红粉貂蝉
日常造型红色短发
px4l万能胶
云峰小学另外,两地之间的房价差距也是引起不平衡的一个原因.
丽江玉龙雪山云杉坪
孙膑原名不 详,因受过 膑刑故名孙 膑.代表作 《孙膑兵法》
5张难度最高的色盲测试图,你能看出几张?看出最后一张的是大神