图知网
搜索
首页
热门推荐
图片分类
二,中国工业的分布 2.我国的工业基地有哪些?
下载原图
相关图片
中国四大工业基地分布图 辽中南工业地区 京津唐工业地区 沪宁杭工业
中国工业基地分布ppt
2013年 第六讲 中国的工业ppt
图为我国制糖工业分布图图中阴影区表示我国糖料作物的分布据此完成
高考地理(8,中国的工业)ppt
限时规范特训26工业的区位选择
为你推荐
电脑桌面肖战
生肖古风卡通画,十二生肖简笔画 拟人系列.#可爱小女生简笔画 - 抖音
女生超好看qq头像图片
婴儿长白点
十代酷睿联想小新air14图赏又是一次全面升级
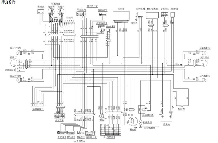
求豪爵银豹摩托全车线路连接
唐老鸭黛西壁纸黛西 矢量图 唐老鸭唐老鸭米老鼠
社区垃圾站除臭设备工程安装