图知网
搜索
首页
热门推荐
图片分类
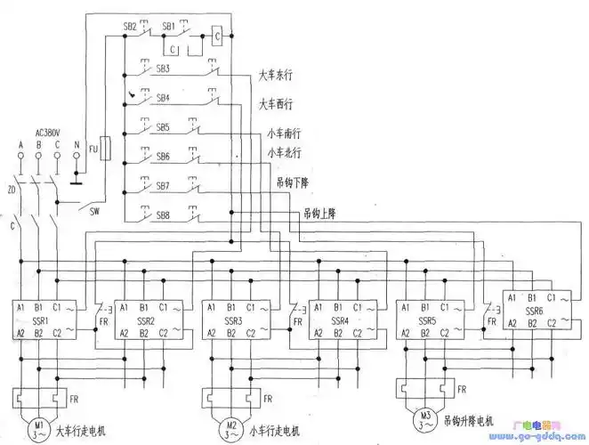
升降式龙门架小型起重吊机
下载原图
相关图片
小型电动吊车控制电路原理与维修
简单易制的桥式吊车控制电路
接线方法有所不同的,比如如果使用的是36v电源的话,行吊遥控器在接线
塔吊电气控制原理说明解析
【ibe】干货|实用电工机电控制电路精选
图3电动机保护器用于吊车大车走行电动机保护的应用电路示意
为你推荐
没有长胖之前真是让让大家觉得不可思议,没想到没长胖前的贾玲这么
温婉清丽少女迷人抖音上的各种潮图壁纸
英国—salisbury cathedral
宣传栏_广告展览器材_广电传媒_图库_世界工厂网
2016夏装新款情侣t恤海贼王路飞蛇姬女帝圆领短袖t恤修身纯棉衣服
又见脱欧后的新动作,英国新能源车将启用绿色车牌
无处安放
律度量衡之始