图知网
搜索
首页
热门推荐
图片分类
土族,现有人口十九万,主要聚居在青海省互助土族自治县以及民和, 大通
下载原图
相关图片
非遗中国:土族服饰|土族|非遗|服饰
薇娅身着土族服饰
土族的来历你知道吗这里是青海土族姑娘个个身材高挑肤白貌美
披在身上的彩虹——土族服饰
土族的来历你知道吗这里是青海土族姑娘个个身材高挑肤白貌美
土族主要聚居在青海互助土族自治县(通俗地说就是北方人),语言属
为你推荐
电视剧《把爱带回家》全集剧照
真人版神奇宝贝电影《pok07mon侦探皮卡丘》官方预告片_哔哩哔哩
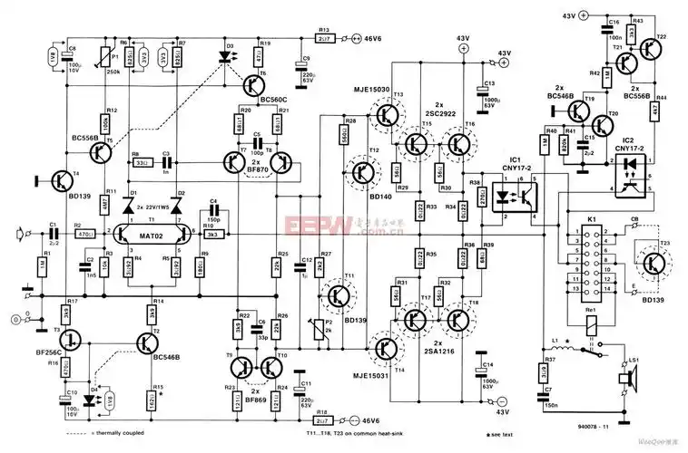
功放电路图大全一
禁止倚靠 leaning on the door prohibited/no leaning2.
帅气的传统唐狮纹身图片9张
浮世绘风格eva零号机,初号机,二号机插画
【墨瑟门窗】加盟即送2000元开业大礼包 预约验证就送鲁班锁1个
王浩信:连帽夹克休闲裤 小白鞋帅气酷范儿