图知网
搜索
首页
热门推荐
图片分类
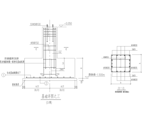
[贵州]幼儿园独立基础及桩基础施工图
下载原图
相关图片
某独立柱基大样结构设计图纸
如图这种独立柱钢筋如何设置
独立基础柱钢筋中纵筋有两种型号以及拉筋在软件如何中输入
独立基础钢筋计算
求教,柱插筋在独立基础中用不用加密箍筋!
下面的独立基础应该怎么画钢筋的根数怎么算
为你推荐
巨兵长城传 033 冰流冰封路径,三人跌落卢浮城
侯卿|"你我往生客,谁才是痴狂者."|画江湖之不良人
桃子,水果,叶子,许多,吊挂,悬挂,朦胧,模糊,新鲜,生食,食品,果实,果树
跟骨三种排列不同的骨小梁(图)
清平纯手工空心挂面山东高唐特产2500g散装装清平坠面孕妇辅食挂
沙雕动漫女生头像闺蜜
无意之间吉他谱 - 虫虫吉他谱免费下载 - 虫虫吉他
这个是一种桔子树上的刺