图知网
搜索
首页
热门推荐
图片分类
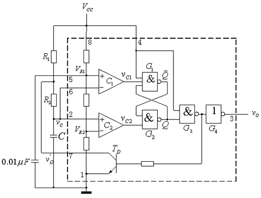
555电路详解
下载原图
相关图片
555等效功能电路图
555报警电路原理图
555定时器及其应用
电路图画出来,谢谢各位!
555芯片内部结构及应用电路
请给我一个由555定时器组成的比较简单的高频发生方波电路图,频率在
为你推荐
枫叶树叶秋天风景大片壁纸
血细胞
男生沧桑成熟意境头像
琉璃色襟线水手服
汉十高铁地铁,高铁建设途经襄阳交通篇从今天起,襄阳人将身价暴涨!
留下无数美好的回忆!那些曾经的过往 - 抖音
家用手提弹簧电子秤50kg迷你行李秤快递挂钩称便携手提秤钓鱼克秤
意5月10日生活报