图知网
搜索
首页
热门推荐
图片分类
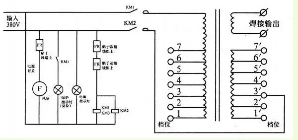
松下气保焊机与机头接线电路图
下载原图
相关图片
大家好,很多人对电焊机正负极正确接法 电焊机正确接线方法的基本
谁能告诉我这个电焊机怎么接线那是个档位开关4根线
电焊机手动开关接线图
电焊机220与380的接法
一则电焊机触电事故分析
下面是一个nbc二氧化碳气体保护焊机的电路图.
为你推荐
创意街舞社招新海报背景素材
2019古风动漫卡通头像女生唯美气质 乐观演到什么程度才会快乐 | 美女
500元港币
淡紫暹罗猫mm
也加强了脸的长度,把下巴也衬得更加圆润了,所以椭圆形脸除了长耳环
我手昨天在工地上受伤,缝了7针.
区十届人大常委会召开第一次会议
静香可爱高清图片头像_微信头像图片大全