图知网
搜索
首页
热门推荐
图片分类
成品弧齿等径锥齿轮mmsa2-20l/r
下载原图
相关图片
sb锥齿轮,sby锥齿轮,khk锥齿轮,khk锥齿轴.khk伞齿轮,khk齿轮
khk伞齿轮,khk等径锥齿轮
成都西野优势品牌日本khk小原完成螺旋锥齿轮
khk锥齿轮khk磨齿锥齿轮khk磨齿弧齿锥齿轮khk弧齿锥齿轮khk齿轮
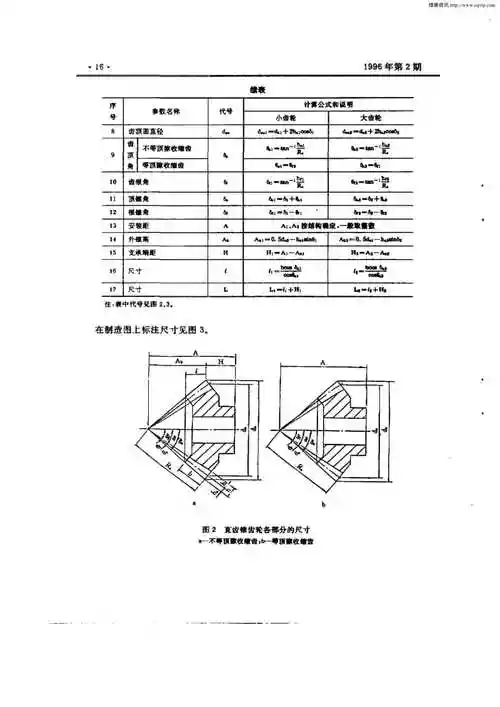
工程科技 机械/仪表 锥齿轮设计参数 可修改参数 大端端面模数 模数
直齿锥齿轮传动的几何参数计算
为你推荐
第十一期ikun头像小黑子头像搞怪头像
春夏韩国流行发色推荐!
谢娜_图客网 - 电脑桌面壁纸,高清桌面壁纸,电脑主题,手机屏保,手机
张真源一些很绝的动图(多图,流量慎)
漫画 #双男主漫画 #磕糖 #皇太子的初恋 要是能一直这样 - 抖音
从此以后-夏有乔木雅望天堂ost五线谱预览4-钢琴谱文件(五线谱,双手
零次方设计美术馆里的空间艺术
平采娜女士美到我了