图知网
搜索
首页
热门推荐
图片分类
专属姓氏头像 #2023年新年头像 #姓氏男头 - 抖音
下载原图
相关图片
带韩字的女生头像,头像女生纹身背后韩字(姓氏头像 有漏的)
韩姓头像
韩姓头像图片大全姓氏
好看的哭的精美姓氏头像龙凤呈祥赶紧看看有没有你的姓氏
韩姓头像图片大全姓氏
【编号877】励志正能量,不畏过去,不惧将来-微信头像,百家姓氏微信
为你推荐
gotham post mortem, season 2 preview
howl echoes:"#nsfw #tannis #rule34 #loli" - 90 baraag.net
胎压表计电子汽车轮胎量测气压表数显监测器车胎加气测压仪升级款指针
仿古如意
指尖少年大结局##指尖少年
奶茶表情包_斗图表情包_微信头像图片大全
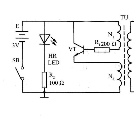
揭秘电蚊拍电路原理图以及维修方法
开学了,我们一起来画可爱的铅笔创意画吧!简单易学 - 抖音