图知网
搜索
首页
热门推荐
图片分类
齿轮双面啮合仪装配图dwg图纸下载(dwg格式)机械cad图纸
下载原图
相关图片
经典机械零件图纸尺寸标注解读——减速器输出轴,轴承座
西工大机械制图附图3,问其拆画零件图答案
机械制造技术基础课程设计指南,p293页杠杆(二)求画毛坯图.
cad机械练习图纸
[习题] 一些简单的机械图
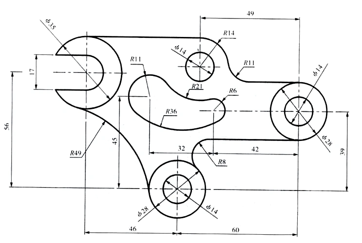
机械零件练习图纸6
为你推荐
一年级笔画,生字田字格描红练习(四种模式)答案
tnt表情包|能用表情包就不打字
山里野生映山红,红彤彤的花朵,树冠高大可做盆景
给《禁忌女孩》主演 娜诺 开一栋美图楼(会持更
这些手势已传承千年佛手经典
蒋依杉走红后,在拍摄《老兵》时,认识了丈夫王龙.
约龙女童舞蹈袜儿童裤袜连体9-12岁中大童小女孩打底袜小孩白色打底裤
乖巧狗狗训练166个原则366个口令一劳永逸