图知网
搜索
首页
热门推荐
图片分类
ps将图片模糊文字变清晰
下载原图
相关图片
21.ps教程教你将模糊的文字变清晰
小红书图片素材模糊快速变清晰的方法.
模糊文字照片变清晰
淘宝美工教程:模糊文字变清晰 ps教程 ps小技巧 ps文字变清晰
将模糊的文件文字变清晰两步即可轻松搞定办公不愁
ps文字模糊怎么变清晰?模糊文字图片变清晰?
为你推荐
刘诗诗出席品牌代言活动,穿得真有气质,气质不减当年
《精英律师》开播 朱珠变身金牌秘书
时代少年团刘耀文的脸真的是太绝了,绝对的霸道总裁相!
[辽宁]三层购物商场施工图(含效果)
上画着有毒的工厂核电站排放烟雾肮脏工业污染空气和环境污染的概念
2016新款2016新款大码超高跟鞋cdts变装时装模特专用鞋码
传说之下:弗里斯克回忆刚认识羊妈和sans的时候,你感动吗?
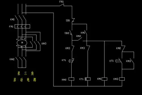
三相变相异步电机星三角起动正确线路接法