图知网
搜索
首页
热门推荐
图片分类
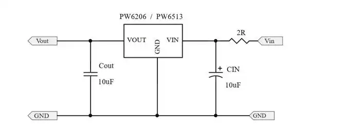
如何把12v电压转为5v~3.3v可变电压
下载原图
相关图片
直流12v电源转化为5v的一些方案,供大家参考
9v,12v转5v,9v,12v降压3.3v电路图
展开全部 12v变5v用两个元件就可做到,要用光藕做啥?
12v转成5v的电路图 用于51单片机电路的 帮忙设计个
几种常用的非隔离ac-dc电源芯片降压电路,220v转5v降压,220v转12v降压
测试12v转5v降压芯片,12v转3.3v稳压芯片电路图
为你推荐
百度云中国内地2005仙剑奇侠传1胡歌刘亦菲安以轩刘品言彭于晏34集全
宋亚轩解释一下2
他们"被选"到了周杰伦的歌曲《鞋子特大号》作为表演曲目,之所以称为
《文豪野犬》中的高智商侦探太宰治,拥有的异能力为"人间失格",可以让
4 hearts 潮牌美式复古连帽卫衣男设计感抽象眼睛流血宽松上衣
附上买单记录和诊所的付款记录截图.
跨境韩国版手饰情侣戒指 男女指环皇冠戒指戒子银首饰品批发-阿里巴巴
客厅地砖黑金花瓷砖600x900全抛釉楼梯砖过门石过道门槛石800x800黑白