图知网
搜索
首页
热门推荐
图片分类
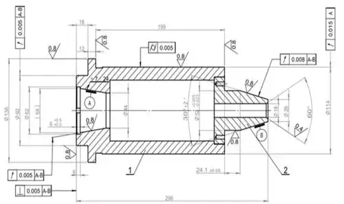
轴承座零件的机械加工工艺规程及典型铣床夹具的设计13张cad图纸说明
下载原图
相关图片
(共17页,当前第5页) 你可能喜欢 旋转练习题 机械零件图 ug练习图纸
求机械产品cad图纸
锥面的轴类零件在设备中属于常见的配合零件,通常这类零件图纸中锥面
机械加工工艺及铣a面夹具设计 - 工艺工装夹具设计方案 - 沐风图纸
安全阀机械制图图纸资料
【零件图专题】机械制图教程-零件图的视图选择
为你推荐
法国训练吉鲁大玩倒钩_高清图集_新浪网
火影忍者里面,鸣人他们很多人额头上都带着一个圈,上面的标志是代表
日本艺伎的兴衰,被妓女和战争摧毁的一种日本文化
神秘人质热播任柯诺痴缠黄曼获称情种
为 pas 染色:红色箭头:肾小管基底膜明显增厚
森林中发现的天使#二次元美图# 画师:kizuna040120 pixiv:109625216
凝练学生发展核心素养培养全面发展的人
水浒传中的李逵毫无道德底线为什么还会被称为好汉