图知网
搜索
首页
热门推荐
图片分类
练习手指操.(如图)4."aoe"带上声调(用手势)朗读五遍(如图)5.
下载原图
相关图片
快乐拼音手指操ppt
拼音标声调的规则口诀如果韵母中有a这个字母那么它
幼儿拼音应该这样学效果真绝
学拼音,关键是"拼"!
汉语拼音声调打卡
拼音声调标注口诀
为你推荐
骨骺线闭合还能长高吗?
蒋依依毕业写真好绝##8岁摄影师给蒋依依拍照
南宁万达嘉华度假酒店
壁纸#粉色系卡通壁纸|粉粉嫩嫩少女心|cr:cr:purrpurr club
经协商,两个孩子由葛淑珍抚养,赵本山一次性付给了她及两 个孩子的
麻烦你帮我查一下心脏造影的那个病
韦陀尊天菩萨#传承古代文化欣赏中国历史 #传统工艺 #图文伙 - 抖音
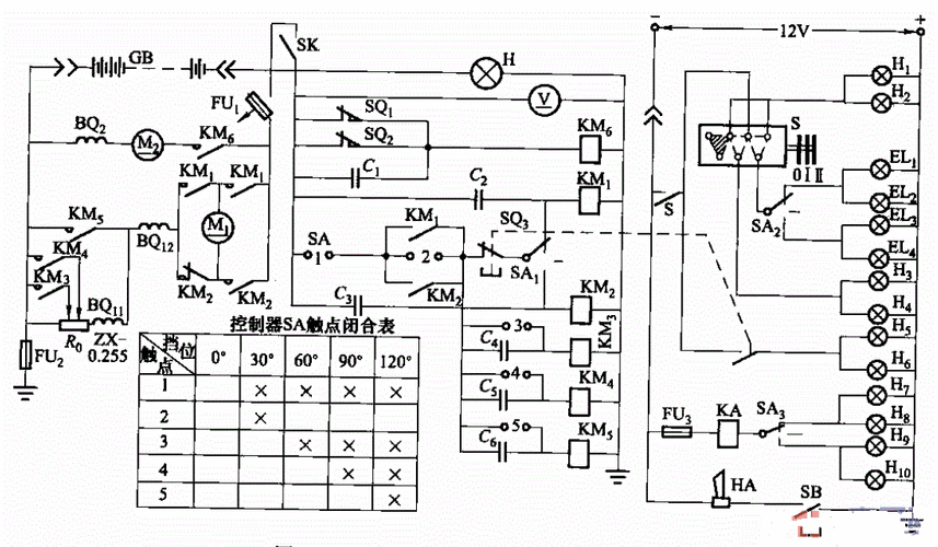
cpd型it蓄电池铲车控制电路