图知网
搜索
首页
热门推荐
图片分类
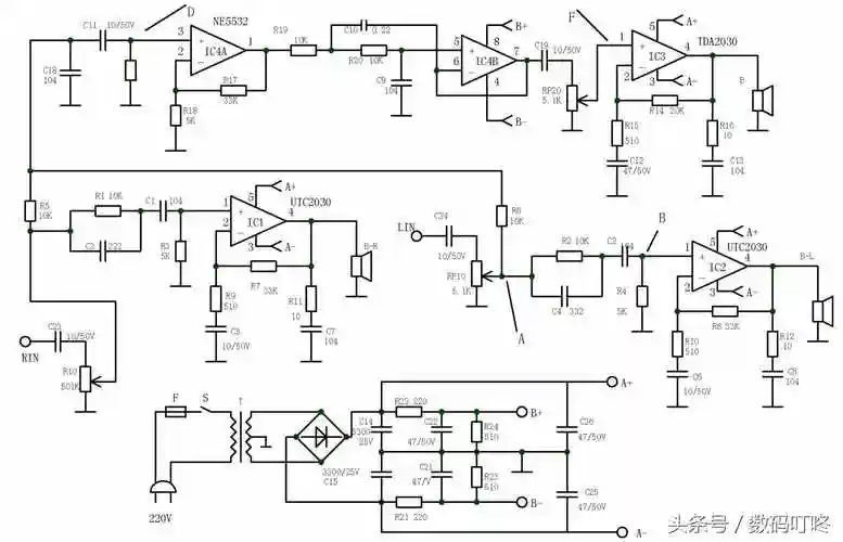
漫步者音箱电路图
下载原图
相关图片
漫步者2.1多媒体r201t电路图原理图
漫步者r201t有源音箱电路原理分析
漫步者低音炮电路图
漫步者c1音箱电路图
低音炮功放电源电路
我的电路
为你推荐
漂亮的箭头卡通,漂亮的箭头卡通
抖音最火妈妈生日文案
杀生丸犬夜叉:完结篇杀生丸少爷妖gif动图_动态图_表情包下载_soogif
牛头素描步骤图来了
小红书自带滤镜 #壁纸 #莲花 #每日分享
湖南乳油农药批发_湖南乳油农药供应_湖南乳油农药价格 - 惠农网
深圳市副市长,市公安局局长徐文海任湖北省政府党组成员
【雷安】一份来自凹凸世界的狗粮!不甜不要钱