图知网
搜索
首页
热门推荐
图片分类
星际牛仔高清壁纸(久违的第二弹) - 知乎
下载原图
相关图片
星际牛仔cowboybebopunderthesheetsnil02wh
星际牛仔壁纸
【4k60帧】星际牛仔op
星际牛仔壁纸图片
星际牛仔动画图片动画星际牛仔赏金猎人电视动画
星际牛仔壁纸图片
为你推荐
彩色房子简笔画图片大全_5
退出水晶红色圆形按钮
高加索人在长相上有没有地域特点?
踏山河简谱 谱友园地
七夕节卡通牛郎织女相会874777png图片素材
希德·卡盖诺(暗影)-服装一览
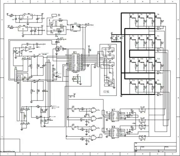
逆变器的电路图有吗
在蓝天下飞翔的一群和平鸽