图知网
搜索
首页
热门推荐
图片分类
自制电容器充电放电规律演示实验
下载原图
相关图片
电容充放电课堂笔记1
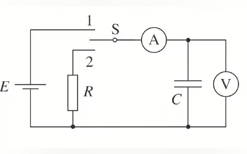
如甲图所示是观察电容器的充,放电现象的实验装置.
诺贝尔化学奖锂电池和电容的区别
图2:电容容器放电模型电容就好比水桶一样,流入的水流无论是大还是小
观察电容器的充放电现象
一文彻底讲透电容【1】—— 充放电曲线的秘诀 - 知乎
为你推荐
长了张1米7的脸 星梦奇缘的江琳达我一直以为至少模特身高
《芈月传》朱一龙饰昭襄王嬴稷
妈妈我等了你二十年
撅嘴的小女孩
纯色紫
汤姆杰瑞狗惊讶表情包
经管营销 生产/经营管理 > 纸箱与纸板生产工艺流程 佛山市顺德区包装
索隆壁纸,超级燃,超级帅.#海贼王 #索隆 #高清壁纸 #帅 - 抖音