图知网
搜索
首页
热门推荐
图片分类
十字绣百分百精准印花浪漫佳缘真爱永恒十字绣厂家批发 客厅挂画
下载原图
相关图片
十字绣真爱永恒一生约定精准印花效果套件装新款客厅大幅画棉线丝 线
结婚十字绣2019新款婚礼真爱永恒5d钻石画玫瑰花小幅客厅卧室批发
出售人工已绣好的十字绣成品真爱永恒玫瑰戒指牵手一辈子结婚系列
精准印花十字绣真爱永恒相伴一生玫瑰爱情花卉小画婚庆约定今生
高清 蒙娜丽莎十字绣玫瑰花精准印花十字绣真爱永恒十字绣客厅新款
美特卡卡十字绣 钟表系列ks- 5265 真爱永恒(钟面) 最新款客厅画 精准
为你推荐
范冰冰这次脸丢大了!本想凹造型,没想到暴露了真面目
ifg远雄广场 mall walking春乐活-走出健康来
仙气飘飘3ct粉色蓝宝石豪华钻石项链
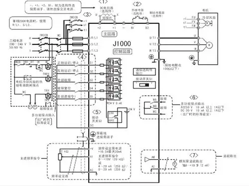
安川j1000控制回路怎么接线?
太阳系八大行星
9010万多90 19年大众迈腾330豪华版,原版车况,私 - 抖音
人教版小学二年级《坐井观天》课件ppt
可乐壁纸