图知网
搜索
首页
热门推荐
图片分类
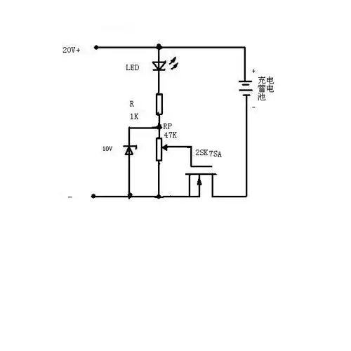
48v电动车充电器电路图
下载原图
相关图片
5v充电器电路图
强光手电充电器原理图,电路板图,实物图
7.4v锂电池充电电路图
我想做一个手机充电器.谁给我一个电路图呀.
求个 充电器电路 高分悬赏
锂电池充电电路
为你推荐
纹身黑衣丸子头小美人_霸气女生头像图片_扣扣居
谢可寅为什么叫蔡徐坤学长
做生意离了男人就做不好了吗
紫色头发.#旧漫头像 #动漫女头 #优质头像 #御姐 #ai - 抖音
惠州星河丹堤11月30日举办高铁高峰论坛-楼市话题·业内论坛业主论坛-
亮度调到最大,打开护眼模式,相信我这一定能惊艳到你别眨眼,视觉震撼
抖音网红嘟嘟姐真实照片曝光网友太惊人了她居然是个小萝莉
累成条狗