图知网
搜索
首页
热门推荐
图片分类
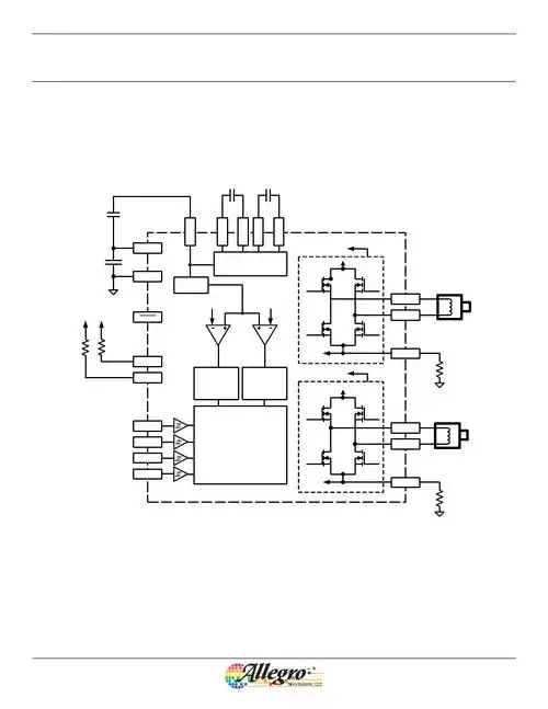
图1 uc3906内部结构框图
下载原图
相关图片
使用 pdv-p5003 光电管点亮 led 的 2n3906 夜灯电路示例原理图
2n3906,2n3906 pdf中文资料,2n3906引脚图,2n3906电路-datasheet-电子
2n3906三极管
a3906sestr-t,a3906sestr-t pdf中文资料,a3906sestr-t引脚图,a3906
b 电路用的是2n3906三极管,pnp型,同样把蜂鸣器ls2接在三极管的集电极
mmpq3906参数datasheetpdf下载
为你推荐
杨颖范冰冰同框,究竟谁完败?
废物利用新款10岁4岁5岁3岁9岁彩色吸管其他手工制作
毛晓彤古装剧照
懒羊羊皓月公主
畸形,失衡的北平城里,有这样一个年轻,自尊,充满活力的人力车夫
【希望的大地】田巧妹将被迫出嫁
十分少见的吉利手相,不管男女天生命好,注定一生富贵
少女心壁纸 手机壁纸 cr:小熊奶桃