图知网
搜索
首页
热门推荐
图片分类
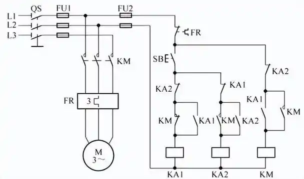
怎么用一个常开按钮控制电机启动和停止?
下载原图
相关图片
还有就是用行程开关控制电机启动停止,原理
电机一键启停电路分析
一键启停电路一键启动停止电路图
一个电机启动定时停止电路图
要求画出电路图,谢谢
电工常用电动机控制电路(二)
为你推荐
密集恐惧症如何克服及密集恐惧症图片胆小慎入
猫咪老师变身后,帅呆了!
蓝天白云头像高清图片 老年人专用的微信头像 - 微信头像 - 520个性网
家用电烧烤炉室内无烟电烤炉烤肉炉烤串电烧烤架烧烤用具烧烤架子
厂家 打药喷枪 农用雾化可调节喷枪 三杠柱塞 泵打药喷枪
住院部大楼室内装修工程项目管理手册(含施工组织设计施工布置)-工程
公园长椅拍照姿势 #图文种 - 抖音
亚马逊雨林看起来是绿色天堂,实则是人类禁区,到底有多恐怖?