图知网
搜索
首页
热门推荐
图片分类
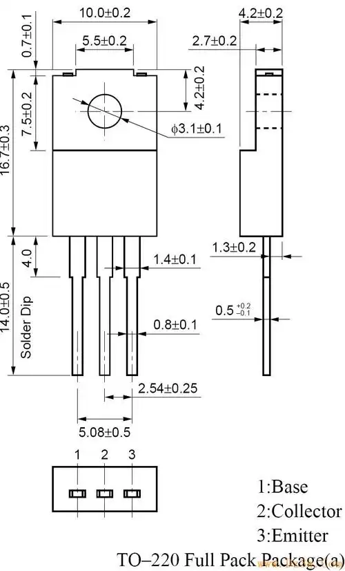
贴片三极管ht7150-1 低压差稳压电路ldo(5v) sot-89 型号:ht715011
下载原图
相关图片
稳压电源
产品展示
稳压ht7133-1 ht7144-1 ht7136a-1 ht7130-1 ht7136-1 ht7xxx系列
ht7550-1_pdf_c18333_2017-09-19
集成稳压器lm7805lm317的识别与检测方法图解
直插ht7544 ht7544a-1 to-92 三端稳压管芯片-阿里巴巴
为你推荐
令人心动女生发型推荐狼尾鲻鱼头
陈飞宇从小到大的照片陈红的基因一直在力挽狂澜
莱昂纳多头像.
男星古装新郎造型,杨洋魅惑,赵又廷深情,胡歌是来搞笑的?_腾讯新闻
7589#2020新款韩版名媛气质一字领修身蕾丝时尚包臀打底裙连衣裙 - 17
加班使我快乐.gif
米其林豪华海鲜泡面
王明逝世后,葬在赫鲁晓夫旁边,为何其妻不与他葬在一起?