图知网
搜索
首页
热门推荐
图片分类
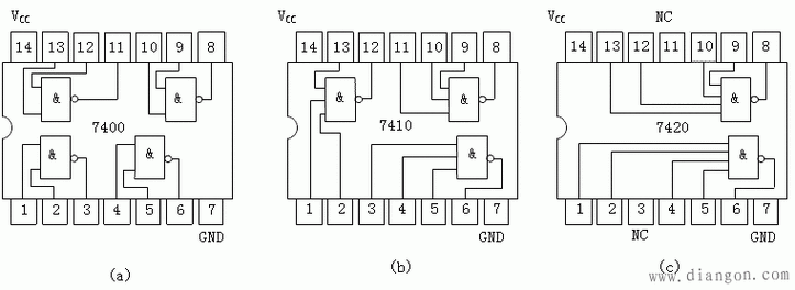
74系列数字电路742074h20等双4输入与非门
下载原图
相关图片
看下芯片的引脚图
与非门7400,7410和7420的引脚分配图
高精度测温芯片adt7420引脚图与中文资料020c精度适合液体及体温
电子技术-芯片资料-7420.pdf
技术资料 新品播报 n74ls04 真值表: 7404 7400 7410 7420
的新一代猎户座芯片,exynos 2400能否重振当年exynos 7420的辉煌呢?
为你推荐
《聚力成金》原创企业歌,各大音乐平台重磅发布!_金巴利_向前_霍文
天热剪短发,效果美美哒,爱美女士请收藏_刘海_头型_个性
回顾10年过去了那个说要帮柏寒养儿子的海清做到了吗
主题场景 全素材照片2场景速写 实景拍摄 素材照片写生素描静物临摹书
环艺线稿手绘|day15
第五人格摄影师约瑟夫pixiv画师
中国体育彩票吉祥物设计方案金宝
三三好暖啊 杰埼http://touch.pixiv.net/member_illust.php?