图知网
搜索
首页
热门推荐
图片分类
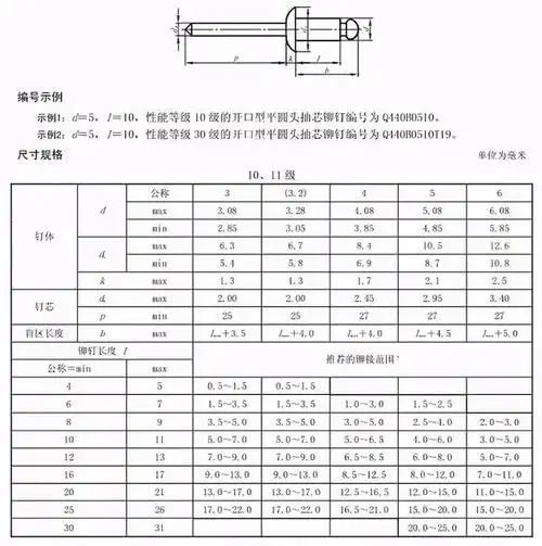
常用铆钉规格表
下载原图
相关图片
抽芯铆钉在车身应用及设计解析
304不锈钢拉钉抽芯铁芯封闭型平圆头抽芯铆钉拉铆钉装m3.
彩色灰金绿蓝咖啡红黑酒红古铜茶香槟色拉铆钉抽芯铆钉拉柳钉大全
东明gb12617开口沉头抽芯铆钉,m4x11,不锈钢304,500支/包
304不锈钢沉头拉钉 抽芯铆钉 3.2 gb12617.
生产销售 烤漆不锈钢抽芯铆钉 大帽圆头抽芯铆钉加工
为你推荐
一朵花手机壁纸 繁花万千 我只赏你一枝独秀
优雅形体仪态女神修炼班
他真的很贫穷,你能帮帮么!
谁发明的麻辣拌㊙️闺蜜吃一口直接要走配方.💌嗨,宝子们,大 -
想让宝宝少生病,爸妈必须做好这5件事!
8级外六角螺栓gb5783/iso4017六角头螺栓
艺速美式田园花鸟壁纸客厅电视背景墙纸法式枫丹白露定制壁画
速度与激情