图知网
搜索
首页
热门推荐
图片分类
aoccm313型彩色显示器的电源电路图
下载原图
相关图片
海信电视电路图(海信led液晶电视电源电路分析与维修)
好奇怪,rcc开关电源,g极驱动电压怎么都上不来
开关电源电路原理(附原理图)
ncp1207aqr反激15v2a带2a的时候电压就掉到134v了
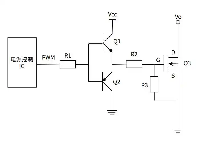
电源设计必学电路之驱动篇
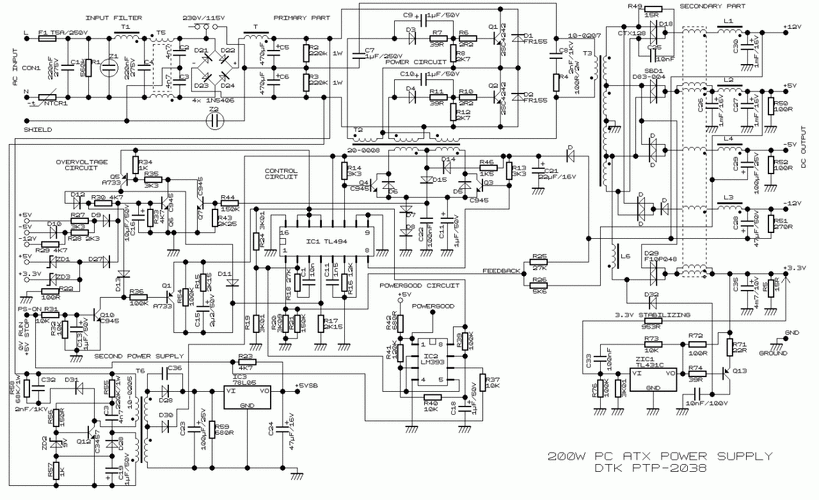
文档下载 所有分类 工程科技 电子/电路 > 金河田atx电源k7-335原理图
为你推荐
跳蚤咬的包和疤痕多久能消下去能好 跳蚤咬的红疙瘩图片
蓝天下的荷花,原创拍摄
最全proteus元件库元件名称及中英对照51单片机仿真软件proreus学习必
吉他音阶练习的各种指法满满干货记着点赞关注再拿走
殷商是一个怎样的国度和那时的"以德服人"
把家打扫干净,新一年接纳更多福气|卧室清洁
新长征精神图片
青海宁贵高速发生多车相撞 7人遇难