图知网
搜索
首页
热门推荐
图片分类
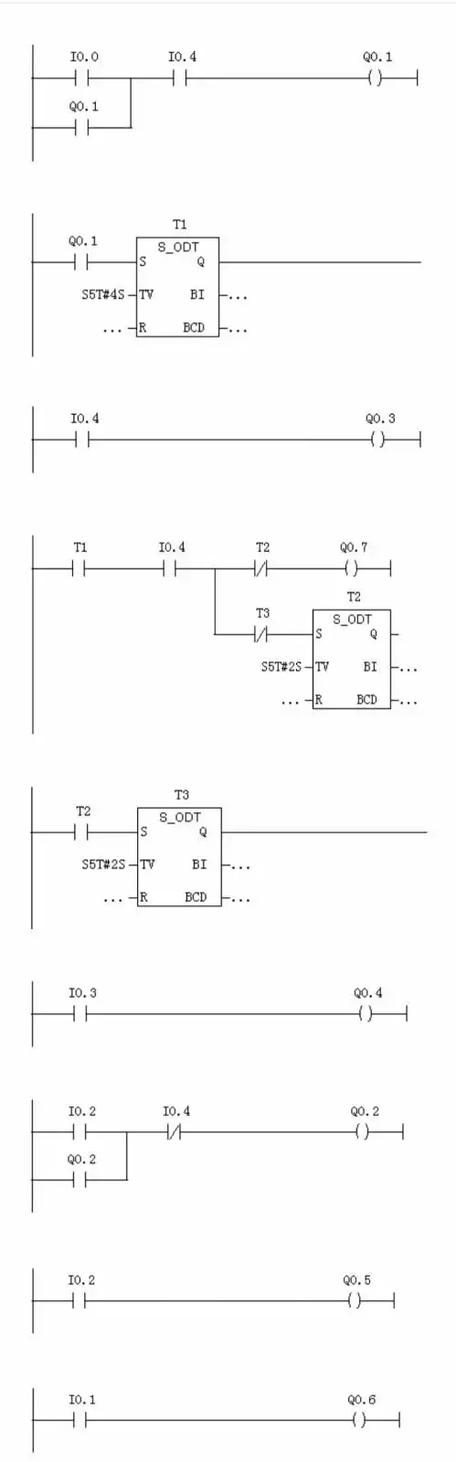
新型机械手plc控制程序设计(手动回原点自动;sfc程序图块)
下载原图
相关图片
四条皮带运输机的传输系统plc控制程序举例
伺服定位机械手plc系统开发研究,机械工程论文_学术堂
求助,plc红绿灯编程程序,梯形图,pc主机i/o分配图
钢板定长剪切机及plc
水塔水位自动控制plc程序图,求大神
plc系统设计案例,含技术方案,plc程序和原理动图
为你推荐
8位古装仪态好的女明星,刘诗诗赵露思白鹿等,你最喜欢哪位?
日网票选最催泪netflix爱情韩剧top10kmhm第7鬼怪第2
火凤凰图片漂亮凤凰图片超酷炫火凤凰唯美头像图片大全
有哪些让你爱不释手的宠物壁纸?
ai换脸是一个非常有趣的应用技术,可以将一张照片中的人物脸部特征
无情剑 心中无女人,拔刀自然神,剑谱第一页,忘掉心上人 心中无女人
【memory简谱】memory简谱.钢琴谱(分页)[音乐剧《猫》]简谱
11张深山窑洞照片让你感受贫穷原始的自然生活